Product Summary
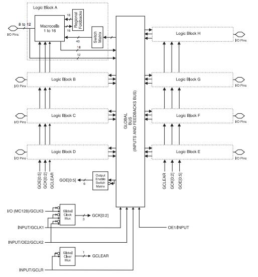
The ATF1508AS-15QC100 is a high-performance, high-density complex programmable logic device(CPLD) that utilizes Atmel’s proven electrically-erasable technology. With 128 logic macrocells and up to 100 inputs, the ATF1508AS-15QC100 easily integrates logic from several TTL, SSI, MSI, LSI and classic PLDs. The ATF1508AS-15QC100’s enhanced routing switch matrices increase usable gate count and increase odds of successful pin-locked design modifications.
Parametrics
ATF1508AS-15QC100 absolute maximum ratings: (1)Temperature Under Bias:-40℃ to +85℃; (2)Storage Temperature:-65℃ to +150℃; (3)Voltage on Any Pin with Respect to Ground:-2.0V to +7.0V; (4)Voltage on Input Pins with Respect to Ground During Programming:-2.0V to +14.0V; (5)Programming Voltage with Respect to Ground:-2.0V to +14.0V.
Features
ATF1508AS-15QC100 features: (1)128 Macrocells; (2)5 Product Terms per Macrocell, Expandable up to 40 per Macrocell; (3)84, 100, 160 Pins; (4)7.5 ns Maximum Pin-to-pin Delay; (5)Registered Operation up to 125 MHz; (6)Enhanced Routing Resources; (7)D/T/Latch Configured Flip-flops; (8)Global and Individual Register Control Signals; (9)Global and Individual Output Enable; (10)Programmable Output Slew Rate; (11)Programmable Output Open Collector Option; (12)Maximum Logic Utilization by Burying a Register within a COM Output; (13)JTAG Boundary-scan Testing to IEEE Std. 1149.1-1990 and 1149.1a-1993 Supported; (14)Fast In-System Programmability (ISP) via JTAG; (15)PCI-compliant; (16)3.3 or 5.0V I/O Pins; (17)Security Fuse Feature; (18)Green (Pb/Halide-free/RoHS Compliant) Package Options; (19)Improved Connectivity (Additional Feedback Routing, Alternate Input Routing); (20)Output Enable Product Terms; (21)Transparent-latch Mode; (22)Combinatorial Output with Registered Feedback within Any Macrocell; (23)Three Global Clock Pins; (24)ITD (Input Transition Detection) Circuits on Global Clocks, Inputs and I/O.
Diagrams

| Image | Part No | Mfg | Description | ![]() |
Pricing (USD) |
Quantity | ||||||
|---|---|---|---|---|---|---|---|---|---|---|---|---|
![]() |
![]() ATF1508AS-15QC100 |
![]() Atmel |
![]() CPLD - Complex Programmable Logic Devices 128 MC CPLD 5V ISP CPLD 100 PIN 15NS |
![]() Data Sheet |
![]() Negotiable |
|
||||||
| Image | Part No | Mfg | Description | ![]() |
Pricing (USD) |
Quantity | ||||||
![]() |
![]() ATF1040 |
![]() Other |
![]() |
![]() Data Sheet |
![]() Negotiable |
|
||||||
![]() |
![]() ATF1047 |
![]() Other |
![]() |
![]() Data Sheet |
![]() Negotiable |
|
||||||
![]() |
![]() ATF1500A |
![]() Other |
![]() |
![]() Data Sheet |
![]() Negotiable |
|
||||||
![]() |
![]() ATF1500A-10AC |
![]() Atmel |
![]() CPLD - Complex Programmable Logic Devices CPLD 32 MACROCELL CMPTBLE w/F1500 |
![]() Data Sheet |
![]() Negotiable |
|
||||||
![]() |
![]() ATF1500A-10AI |
![]() Atmel |
![]() CPLD - Complex Programmable Logic Devices 1500 Gate |
![]() Data Sheet |
![]() Negotiable |
|
||||||
![]() |
![]() ATF1500A-10AU |
![]() Atmel |
![]() CPLD - Complex Programmable Logic Devices CPLD 32 MACROCELL 5V 10NS IND TEMP |
![]() Data Sheet |
![]()
|
|
||||||
(Singapore)











